Red Jacket
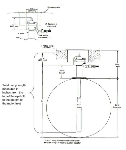
Red Jacket 410175-030 (0410175-030) 1-1/2 HP Alcohol Gas Submersible Turbine Pump (14'7"-19')
MSRP:
$4,562.00
Our Price:
MSRP:
$4,562.00
Sale Price:
Red Jacket
Red Jacket 410175-090 (0410175-090) Red Armor High Pressure Submersible Turbine Pump (14'7"-19')
MSRP:
$5,381.00
Our Price:
MSRP:
$5,381.00
Sale Price:
Red Jacket
Red Jacket 410175-003 (0410175-003) 1-1/2 HP Submersible Turbine Pump (14'4" - 18'9")
MSRP:
$3,876.00
Our Price:
MSRP:
$3,876.00
Sale Price:
Red Jacket
Red Jacket 410175-020 (0410175-020) 1-1/2 HP Submersible Turbine Pump (11'7'' - 14'6'')
MSRP:
$3,587.00
Our Price:
MSRP:
$3,587.00
Sale Price:
Red Jacket
Red Jacket 410175-002 (0410175-002) 1-1/2 HP Submersible Turbine Pump (11'4"-14'3")
MSRP:
$3,386.00
Our Price:
MSRP:
$3,386.00
Sale Price: